聯系電話:0415-6178555
公司地址:遼寧省丹東市儀器儀表產業基地一期4號3F
產品詳情:
免拆線導軌式電能表,是我司針對老舊基礎建設改造市場自主研發的新型產品
概述:
免拆線導軌式電能表,是我司針對老舊基礎建設改造市場自主研發的新型產品,無須重新布電流線即可完成更換,且每只表配有三只外置開口式互感器,采用導軌式安裝,直接與空氣開關、斷路器、接觸器一起安裝。可測電壓、電流、功率、功率因數、電能,且可顯示時間、日期、表號。該儀表采用 LCD 顯示,可進行時鐘、費率時 段等參數設置,并具有電能脈沖輸出功能;可用 RS485 通訊接口與上位機實現數據交換,極大地方便了用電自動化管理。
技術指標
 
 
功能及特點
●高清LCD顯示,液晶顯示中文筆段式漢化屏幕,更好直觀的看到各項參數。
●通訊:RS485通訊(645協議及MODBUS協議)
●互感器: 每只表配有三只外置互感器,根據您的需求更換互感器規格。
●無需重新布電流線,現場通過三只外置開口式互感器完成接線。
 
外形及開孔尺寸
 
 
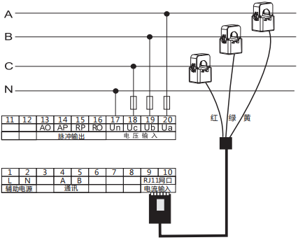
接線方式

傳真:0415-6226678
郵箱:ddentdq@163.com
地址:遼寧省丹東市儀器儀表產業基地一期4號3F
Copyright ? 丹東伊諾特電氣有限公司 All Rights Reserved. 遼ICP備11009736號-1